Play Icon
Please to watch this video
Codeersysteem

Markoprint integra PP 108 bicolor

Tweekleurenprinter voor grote tekens voor printhoogtes tot 108 mm zonder offset

  • Voor tweekleurige etikettering, bijv. GHS-symbolen
  • Printhoogte tot 108 mm, printresolutie tot 360 dpi
  • Realiseert printsnelheden tot 150 m/min
  • Ideaal voor absorberende oppervlakken, zoals kartonnen verpakkingen
  • Interne inkttank met 750 ml inktvoorraad

Tweekleurenprinter voor grote tekens als etikettenalternatief

De naam van de Markoprint integra PP 108 bicolour verraadt al de maximale printhoogte van 108 mm en de mogelijkheid om in twee kleuren af te drukken. De piëzo-inkjetprinter realiseert de grootkarakter prints die in veel industrieën nodig zijn zonder offset en print teksten met hoge resolutie, 1D-barcodes, 2D-codes en grafieken zoals tweekleurige GHS-gevarenpictogrammen. Hierdoor is het ideaal als alternatief voor etikettering. Op verzoek kan de Markoprint integra PP 108 bicolour ook zeer klein drukken, met een minimale printhoogte van één millimeter. De snelle tekstwisseling met meer dan 50 variabele gegevens per seconde maakt productserialisatie mogelijk, wat vooral belangrijk is voor het hogesnelheidsetiketteren in de farmaceutische en cosmetische industrie.

De tweekleurenfunctie voor tweekleurendruk is uniek. Het maakt bijvoorbeeld GHS-etikettering in zwart en rood mogelijk met één apparaat; de inkjetprinter heeft hiervoor geen extra printkop nodig. Met de meegeleverde Markoprint integra Command software kun je jouw printlay-outs eenvoudig op je pc maken en beheren. Naast een praktische inktverbruikcalculator heeft de software nog veel meer functies om je werk gemakkelijker te maken.

Industriële inkjetprinter Markoprint integra PP 108 bicolour voor tweekleurige etikettering van gevaarlijke stoffen op kartonnen dozen

Toepassingen

Karton
Tweekleurige GHS-geëtiketteerde dozen met inkjetprinter Markoprint integra PP 108 tweekleuren
Papier
Met inkjetprinter Markoprint integra PP 108 tweekleurige GHS-geëtiketteerde papieren zakken

Bijzonderheden

Markoprint integra PP 108 inktslang

Flexibel en compact ontwerp vergemakkelijkt integratie

De inkttank is met een printbuis verbonden met de printkop. De variabele lengte van de drukslang (0,4 m / 1 m / 3 m) maakt het gemakkelijker om het inkjetsysteem in de productie te integreren, wat vooral handig is in krappe ruimtes. Bovendien kan de inkttank boven, onder of op dezelfde hoogte als de printkop worden geplaatst, ongeacht de hoogte, wat voor veel flexibiliteit zorgt bij de integratie in nieuwe of bestaande processen.

Markoprint integra PP 108 eenvoudige ontluchting voor schone afdrukken

Recirculerend inktsysteem zorgt voor eenvoudige ontluchting

De printer begint de inkt automatisch te circuleren bij het opstarten. Hierdoor wordt eventuele lucht uit de printbuis of printkop verwijderd. De aanvoer- en retourpompen voorkomen dat lucht zich tijdens het gebruik in de printkop verzamelt en houden de spuitmonden vrij. Dit garandeert een zuivere en scherpe print.

Markoprint integra PP 108 tweekleurige gevarensymbolen

Printen in twee kleuren met slechts één systeem

Er zijn verschillende inktkleuren (zwart, rood, blauw en groen) beschikbaar voor tweekleurendruk op absorberende substraten. Er is ook een gepigmenteerde, mineraalolievrije inkt (MOF, Mineral Oil Free) verkrijgbaar, die geschikt is voor het printen op absorberende oppervlakken in de voedingsindustrie. Niet-absorberende oppervlakken kunnen worden bedrukt met UV-inkt. Het hardt binnen korte tijd uit onder UV-licht en zorgt voor een slijtvast printresultaat, bijvoorbeeld op geverfde oppervlakken.

Tweekleurige inktank Markoprint integra PP 108

750 ml inkjetvoorraad

De interne inkttank heeft een royale capaciteit van 750 ml en zorgt daarmee voor lange bedrijfstijden zonder onderbreking. Dankzij het grote volume is vaak bijvullen van inkt niet nodig, waardoor de gehele workflow aanzienlijk efficiënter verloopt. Gebruikers profiteren van merkbare tijdsbesparing en minder onderhoud, aangezien het printproces over langere periodes soepel en betrouwbaar blijft.

Markoprint Coding Score

Duidelijke prestatieniveaus voor flexibele en schaalbare printoplossingen

De speciaal ontwikkelde Coding Score vereenvoudigt de selectie en configuratie van de Markoprint-printsysteem. De prestatieniveaus – PRINT, BASIC, ADVANCED, PRO en ULTIMATE – zijn duidelijk gedefinieerd, eenvoudig te vergelijken en variëren afhankelijk van het systeem. Dit zorgt voor transparantie bij de beslissing en geeft investeringszekerheid in een markeersysteem dat op elk moment flexibel kan worden uitgebreid. Nieuwe eisen op het gebied van productie, efficiëntie of duurzaamheid kunnen probleemloos worden geïntegreerd, waardoor krachtige en economische processen op lange termijn worden verzekerd.

Technische gegevens
Printerspecificaties
Print
Basic
Advanced
Pro
Ultimate
Printertype
Piezo Ink Jet (PIJ)
Ondersteunde printtechnologie
PP
Printhoogte
1,5 - 108 mm
Verticale printresolutie tot
Print
360 dpi
Basic
360 dpi
Advanced
360 dpi
Pro
360 dpi
Ultimate
360 dpi
Printsnelheid tot
Print
30 m/min
Basic
30 m/min
Advanced
60 m/min
Pro
90 m/min
Ultimate
150 m/min
Aanbevolen afstand printkop tot product
1 mm
Afstand van de printkop tot het product
1 - 3 mm
Printkoppenaantal tot
1
Maximaal aantal productielijnen
1
Oriëntatie
Van links naar rechts, Van rechts naar links
Functie
Zijdelingse bedrukking, Bedrukking bovenkant
Printbare inhoud
Print
Tekstpanelen, BMP-grafieken
Basic
Tekstpanelen, BMP-grafieken, Tijdsaanduiding, Datumpaneel
Advanced
Barcodes, Tekstpanelen, BMP-grafieken, Teller, Tijdsaanduiding, Datumpaneel, Datum-offset, Invoer van variabelen, Actiepaneel
Pro
Actiepaneel, Invoer van variabelen, Datum-offset, Datumpaneel, Tijdsaanduiding, Teller, BMP-grafieken, Tekstpanelen, 2D-codes, Barcodes
Ultimate
Actiepaneel, Invoer van variabelen, Datum-offset, Datumpaneel, Tijdsaanduiding, Teller, BMP-grafieken, Tekstpanelen, 2D-codes, Barcodes
Barcodes
Print
Basic
Advanced
Code 2 van 5, Code 39, Code 128, EAN 8, EAN 13, GS1 DataBar, UPC-A, UPC-E
Pro
andere op aanvraag, UPC-E, UPC-A, QR-code, GS1 DataBar, GS1 DataMatrix, EAN 13, EAN 8, DataMatrix, Code 128, Code 39, Code 2 van 5
Ultimate
andere op aanvraag, UPC-E, UPC-A, QR-code, GS1 DataBar, GS1 DataMatrix, EAN 13, EAN 8, DataMatrix, Code 128, Code 39, Code 2 van 5
DBPrint
Print
Basic
Advanced
Pro
Ultimate
PDF-directe printer
Lettertypen
Klantspecifieke lettertypes, Alle Windows-lettertypen
Softwarevoorwaarden
Processor met minimaal 1 GHz, Interface voor het aansluiten van het printapparaat, PC Maus oder Touchscreen, DirectX 9 of hoger met WDDM 1.0-stuurprogramma, Minstens 30 GB geheugen harde schijf, 2 GB voor 32-bits of 4 GB voor 64-bits, Windows 7, 8, 10
Software aansturing
integra Command
Splitsen
Inkjet
Kleur
Blauw, Groen, Rood, Zwart
Per systeem kunnen maximaal twee inkten worden gebruikt.
Samenstelling
Olie-formulering
Hardware
Print
Basic
Advanced
Pro
Ultimate
Display
geen display
Extern bedieningspaneel/display
Extern Vivid display
Wachtwoordbeveiliging
Print
Basic
Advanced
Pro
Ultimate
Interne sensor
Sensorsignaal
NPN, Schakeldrempel 7V
Draaisensorsignaal
Frequentie max.150 kHz, Schakeldrempel 7 V, 24V-spanning, Duw-trek of NPN
Status-/alarmuitgangen
Print
4
Basic
4
Advanced
4
Pro
4
Ultimate
4
Flashgeheugenuitbreiding als optie
USB-geheugensticksleuf
SD-geheugenkaartsleuf
PCMCIA-sleuf
WLAN
Print
Basic
Advanced
Pro
Ultimate
Interfaces
15-pins SUB-D (aansluiting draaisensor/sensor/ingangen en uitgangen en optionele voeding), Ethernet (TCP/IP), RS-232
Systeemeigenschappen
Afmeting systeem (HxBxL)
142 x 236 x 306 mm
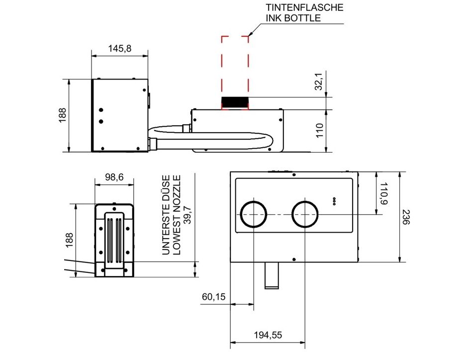
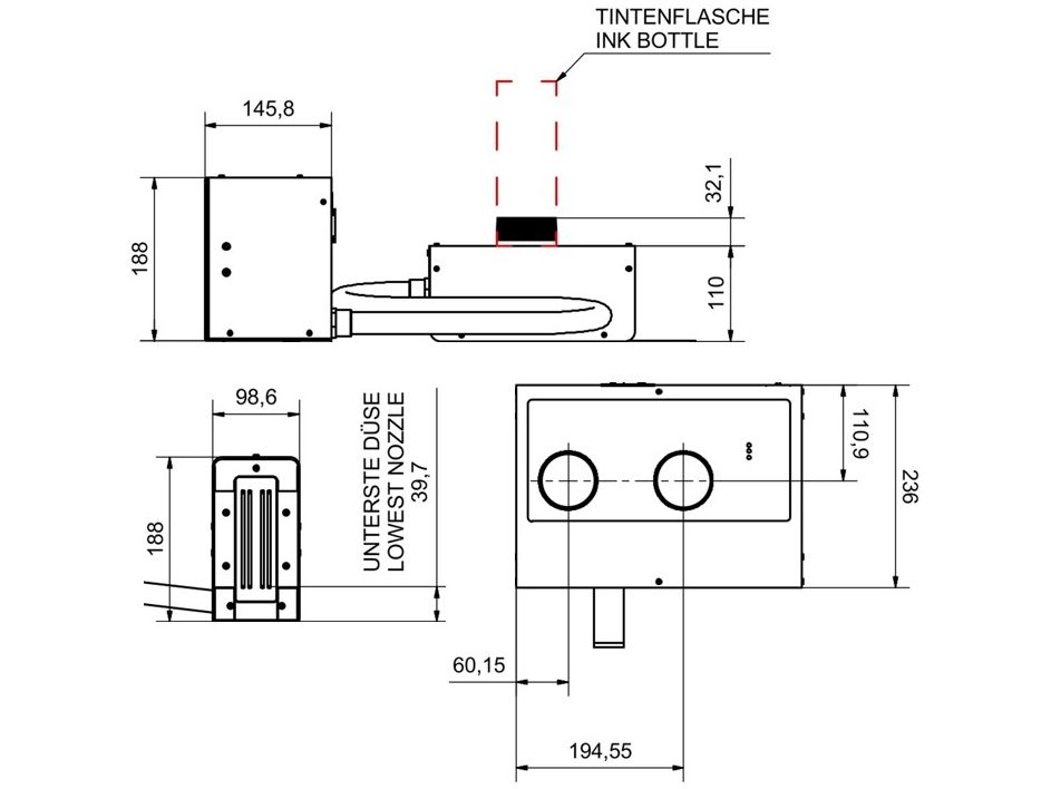
Afmetingen printkop (H×B×L)
188 x 99 x 146 mm
Slanglengte min.
0,4 m
Slanglengte max.
3 m
Gewicht
10 kg
Goedkeuringen
CE
Rel. vochtigheid niet-condenserend
30 - 85 %
Omgevingstemperatuur
10 - 40°C
Aansluitspanning
90 - 240 V
Netfrequentie
50 - 60 Hz
Stroomsterkte
1,7 A
Stroomverbruik
150 W