Automatische etikettiermachine

Geset 217

Boven- en onderetikettering van producten

  • Zeer eenvoudige bediening in dagelijks gebruik
  • Twee etiketten per product
  • Compact, eenvoudig te integreren ontwerp
  • Uitbreidbaar met printtechnologieën voor variabele gegevens
  • Etikettenindeling min. 20 x 25 mm, max. 135 x 300 mm
  • Etiketten tot 300 producten/min

Ontwikkeld voor eenvoudige bediening en systeemintegratie

Het CE-conforme etiketteersysteem Geset 217 is speciaal ontwikkeld voor maximale gebruiksvriendelijkheid en eenvoudige integratie in bestaande productielijnen. Het modulaire systeem etiketteert producten betrouwbaar aan de boven- en onderkant. De geïntegreerde transporttechniek zorgt voor een consistent stabiele productstroom in het etiketteerproces. Etiketteren wordt uitgevoerd door twee Alpha HSM Highspeed-etikettenapplicator. Dankzij het centrale touchdisplay en de near-field-bediening is de bediening intuïtief - ideaal voor zelfs minder getraind personeel. Snel wisselen van rollen en indelingen vermindert stilstand en verhoogt de flexibiliteit. Product- en etiketafhankelijke parameters kunnen worden opgeslagen en direct worden opgeroepen. De compacte constructie met geïntegreerde besturingsbehuizing, insteekbare componenten en overzichtelijk ontwerp bespaart ruimte en vereenvoudigt het onderhoud. Het systeem kan ook volledig op afstand worden onderhouden voor snelle en efficiënte ondersteuning. Met verschillende interfaces kan het naadloos worden geïntegreerd in moderne productieomgevingen.

Geset 217 etikettering van chocolade

Toepassingen

Etiketteersysteem Geset 217 dubbelzijdig etiket op cosmeticaverpakking
Etiketteersysteem Geset 217 dubbelzijdig etiket op voedselverpakking
Etiketteersysteem Geset 217 dubbelzijdig etiket op voedselverpakking
Etiketteersysteem Geset 247 etiket op kaas

Bijzonderheden

Geset 217 etiketteert chocolade

Voor producten en verpakkingen in de voedingsmiddelen- en farmaceutische industrie & Co.

Het systeem etiketteert verpakkingen zoals dozen, diepgetrokken trays, dozen en soortgelijke producten en is geschikt voor toepassingen in de voedingsmiddelen-, farmaceutische, gezondheidszorg- en thuiszorgindustrie. Alle etiketteringsparameters kunnen productspecifiek worden opgeslagen en met hoge nauwkeurigheid worden opgeroepen – ideaal voor wisselende producten en kleine batches.

Etiket gedrukt met inkjetprinter Markoprint X1JET HP Standard

Optioneel uit te breiden met printtechnologieën

Als variabele gegevens zoals houdbaarheidsdatum of batchnummer op de etiketten moeten worden afgedrukt voordat ze worden aangebracht, kan het systeem eenvoudig worden uitgebreid. Speciale houders voor thermische overdrachtprinter en inkjetprinters maken deel uit van de module en zijn onmiddellijk beschikbaar.

Schakelkast met IP54 en roestvrijstalen ontwerp optioneel

De besturingsbehuizing kan optioneel worden vervangen door een schakelkast met IP54-bescherming - ter bescherming tegen spatwater tijdens het reinigen. Er is ook een roestvrijstalen versie van het systeem verkrijgbaar, die de corrosiebestendigheid van gevoelige onderdelen zoals de motor en transportband verhoogt in zeer vochtige en veeleisende omgevingen.

Technische gegevens
Applicatiegegevens
Etiketpositie
Bovenkant, Onderkant
Maximale etikettenapplicatiesnelheid
300 /min
Productsnelheid tot
30 m/min
Positienauwkeurigheid (+/-)
2 mm
Etikettenformaat min. (BxL)
20 x 25 mm
Etikettenformaat max. (BxL)
135 x 300 mm
Diameter etikettenrol max.
300 mm
Te etiketteren product
Productafmetingen max. (H×B×L)
350 x 200 x 400 mm
Productafmetingen min. (H×B×L)
10 x 20 x 20 mm
Kenmerken
optionele speciale uitrusting
TTO-drukmodule, Markoprint X1 Printer, Roestvrije uitvoering
Producttransport
Messenkantband
Productbeheer
ja
HMI
HMI uitvoering
Touchdisplay
Systeemeigenschappen
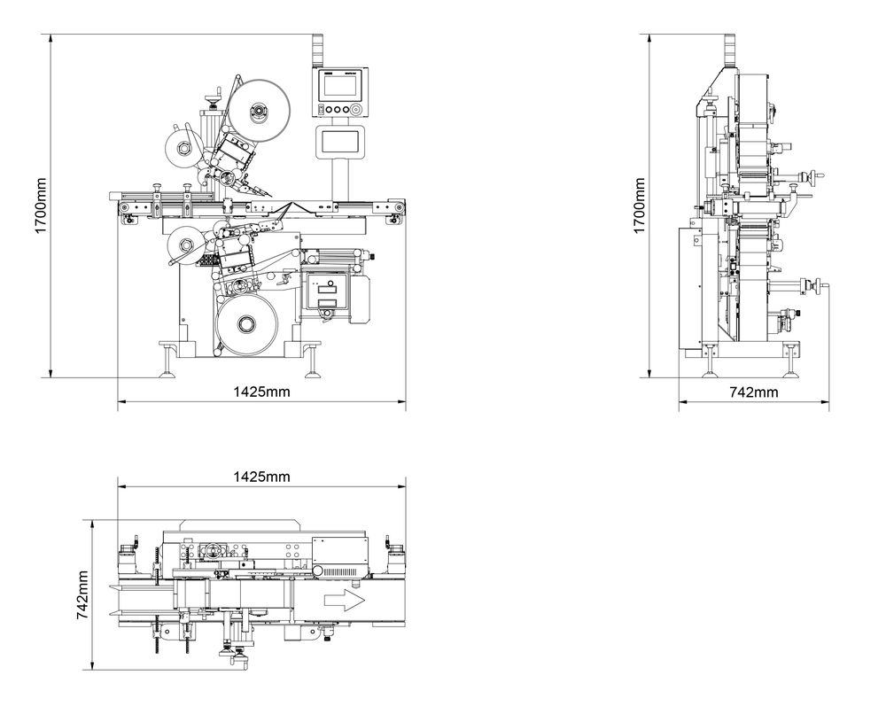
Afmeting systeem (HxBxL)
1700 x 742 x 1425 mm
Gewicht
180 kg
Zonder etikettenrol
Certificeringen
CE, UKCA
Rel. vochtigheid niet-condenserend
20 - 90 %
Omgevingstemperatuur
10 - 30°C
Geluidsniveau
75 dB
A-gewogen geluidsdrukniveau
Aansluitspanning
230 V
Netfrequentie
50 Hz
Aansluitingen
Persluchtaansluiting
6 bar
Alleen nodig in combinatie met optionele uitrusting